適用于爆炸性環境的1區、2區;
適用于IIA、II B、II C類爆炸性環境;
適用于可燃性粉塵環境21區、22區場所;
適用于T1-T6(T4)溫度組別;
廣泛用于石油開采、煉油、化工、紡織、軍工等危險環境及海洋石油平臺、油輪等場所
硬件按需定制:內裝元件品牌為施耐德、正泰、德力西、ABB、天正、西門子、上海人民、中國人民、常熟等一線品牌,可根據用戶要求定制,也可增加配置,例如可加裝電涌保護器、電流表、電壓表、互感器等。
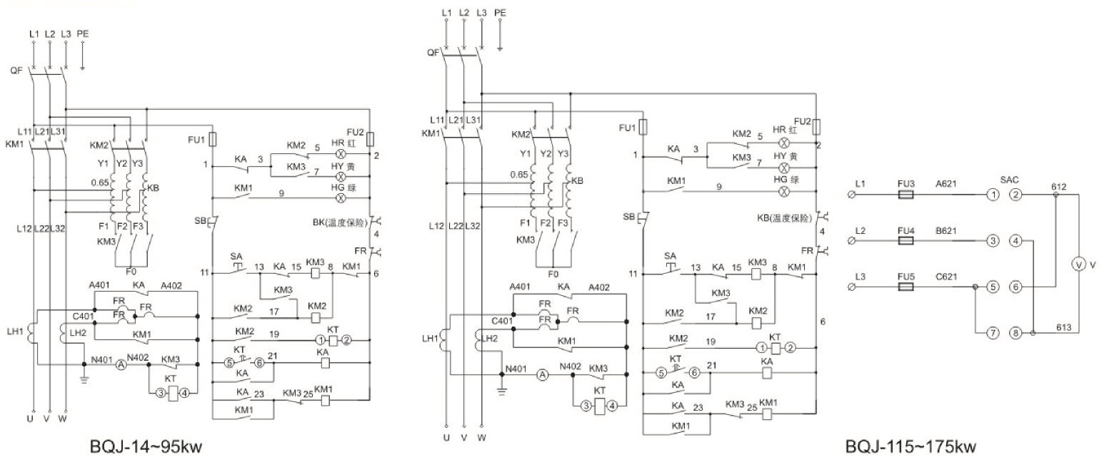
系統安全穩定:專業電子工程師設計電路,具有過載、短路保護功能,可根據用戶要求加裝帶漏電保護功能產品;
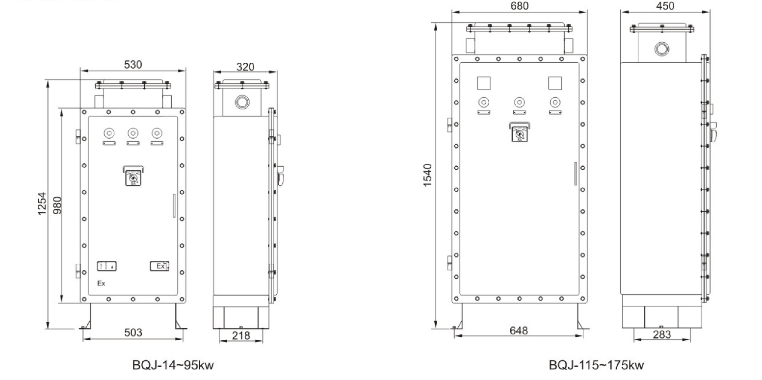
采用質優板材:殼體采用鋁合金壓鑄或優質碳鋼板(不銹鋼)焊接成型,外殼結構緊湊合理、材質密度高、防爆性能優良,牢固可靠,抗震、剛沖擊。
防腐性能:殼體表面采用高壓靜電噴塑處理,螺絲緊固件采用不銹鋼材質,配合高精度加工工藝,具有高防腐、高防銹、高防水等特點,也可根據客戶需求采用不銹鋼材質制作,來滿足在各類強酸、強堿、防護要求較高的惡劣環境中長期正常工作。
防爆結構:本司承諾所有防爆產品均嚴格按照國家防爆標準系列文件設計,完全達到國家防爆標準等級和設計要求,并取得相關國家防爆證書及檢測報告,證書齊全,安全可靠,品質優良。
安裝方式:鋼管,防爆撓性管、防爆電纜,布線簡單,安裝方便。
型號
電機功率(KW)
額定電流
自耦變壓器功率(KW)
電流互感器比值(A)
防爆標志
防護等級
BQJ-14
14
28
75/5
ExdeIIBT4等效于II2GEexdeIIBT4(歐標) ExExdeIICT4等效于ExExII2GEexdeIICT4(歐標)
IP54*IP55
BQJ-22
22
40
BQJ-28
58
BQJ-45
45
80
150/5
BQJ-55
55
110
BQJ-75
75
142
300/5
BQJ-95
95
180
115
BQJ-115
200
BQJ-125
125
220
BQJ-135
135
270
500/5
BQJ-160
160
320
600/5
BQJ-185
185
370
190
BQJ-220
430
225
< 上一篇BQJ系列防爆自耦減壓起動器(IIB、 IIC 、 ExtD)
下一篇 >沒有了!
防爆電磁起動柜 防爆自偶減壓電磁起動柜(箱)系列
防爆電磁起動柜 BQJ系列防爆自耦減壓起動器(IIB、 IIC 、 ExtD)
防爆電磁起動柜 BQC系列防爆電磁起動器(IIB、IIC、 ExtD)
400-0521-108
24H 服務電話
在線咨詢
撥打電話